close

23+ Bga Package Sizes Pictures

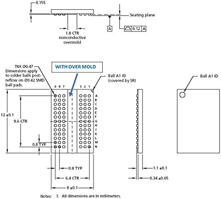
Size of pbga packages range from 7 to 50 mm and has ball pitches of 1.00, 1.27, and 1.50 mm.

23+ Bga Package Sizes Pictures. Package size for peripheral and grid array packages. Bga (ball grid array) 1.27 mm ball pitch.

Bga Family I2a Technologies
Bga Family I2a Technologies from sites.google.com
Ntk/ice, roadmaps of packaging technology. Typical bga packages contain between two to eight more connections as quad flat pack (qfp) packages. Bga , or ball grid array, is a kind of a surface mount package which is used in electronic products to mount integrated circuits such as microprocessors, fpgas, wifi chips etc.

Bgas are classified in a number of different ways.

Bgas tend to require more layers for signal breakout than qfps since only one or two traces can be routed between ball rows on any individual layer. It is also necessary to manage the temperature of the semiconductor package mount manual. Bga , or ball grid array, is a kind of a surface mount package which is used in electronic products to mount integrated circuits such as microprocessors, fpgas, wifi chips etc. Smt / smd components & packages, sizes, dimensions, details.